Артикул:
TS-4MR
Подъемник автомобильный гидравлический двухстоечный TS-4MR (ручка съем)
Автомобильный двухстоечный электрогидравлический подъемник TS-4MR грузоподъемностью 4 т. предназначен для обслуживания легковых автомобилей, легких грузовиков, пикапов и внедорожников в автосервисах с большой проходимостью.
Технические особенности TS-4MR
• Толщина металла профиля стойки 5 мм.
• Усовершенствованная конструкция гидроцилиндра включающая в себя комплект из пяти уплотнительных манжет.
• Модернизированный узел соединения каретки с опорными лапами, равномерно распределяет вес на высокопрочные ползуны, что существенно повышает срок их службы.
• Горячее цинкование тросов синхронизации продлевает срок службы тросов на 50%.
• Современная система стопорного механизма исключает заклинивание стопоров каретки и гарантирует безопасный спуск автомобиля.
• Наличие дополнительно лючка позволяет без особых хлопот производить регулировку и настройку стопорного механизма.
• Передние лапы складываются назад по ходу движения автомобиля.
• Cъем со стопоров через ручку на стойке
• Минимальная высота подхвата 110 мм
Стандартная комплектация TS-4MR
Колонна подъемника – 2 шт.
Гидростанция – 1 шт.
Лапы – 4 шт.
Трос – 2 шт.
Шланг гидравлический – 2 шт.
Опоры винтовые с резиновыми вкладышами – 4 шт.
Проставки для рамных автомобилей – 4 шт.
Рукоять для перемещения лап подъемника – 4 шт.
Резиновые отбойники на каретках подъемника – 2 шт.
Переходники, гайки, болты – 1 компл.
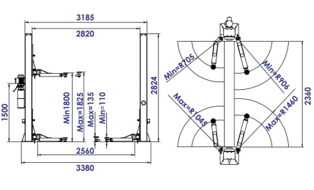
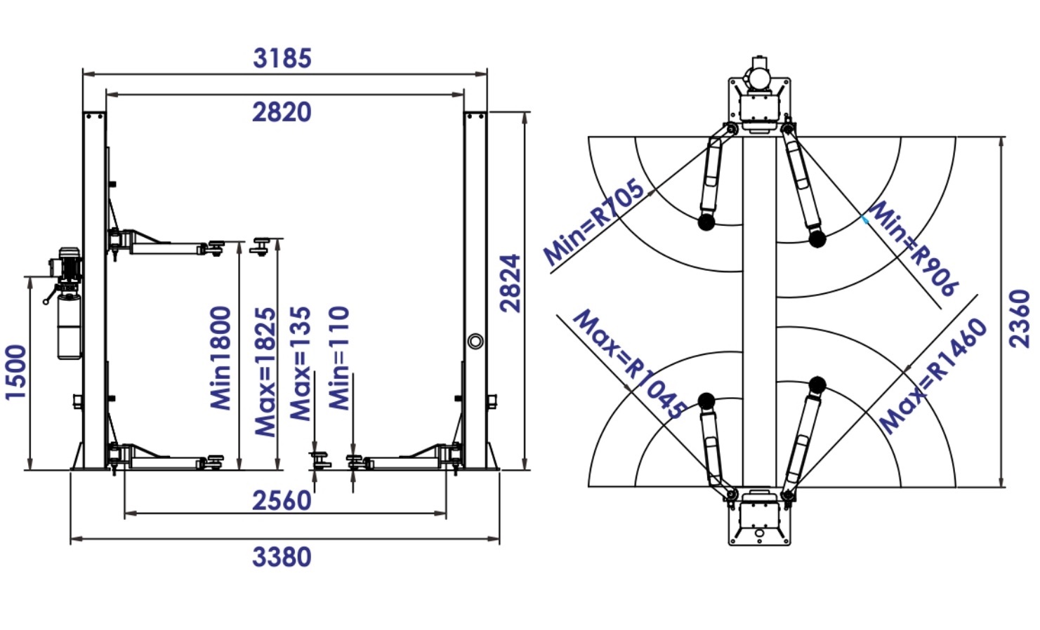
Высота подъема, мм 1825
Высота подхвата min-max, мм 110-135
Время подъема, сек. 45-50
Мощность электромотора, кВт 2,2
Расстояние между колонами подъемника, мм. 2820
Ширина проезда, мм 2560
Габаритная ширина подъемника, мм 3380
Габаритная высота стойки, мм 2824
Длина (min-max) лапа изогнутая, мм 705-1045
Длина (min-max) лапа прямая, мм 906-1460
Съем со стопоров механический, Ручкой на управляющей колонне
Количество гидроцилиндров, 2
Вес подъемника, кг 625(635)
Габариты в упаковке (ДхШхВ), мм 3000х600х800
Автомобильный двухстоечный электрогидравлический подъемник TS-4MR грузоподъемностью 4 т. предназначен для обслуживания легковых автомобилей, легких грузовиков, пикапов и внедорожников в автосервисах с большой проходимостью.
Технические особенности TS-4MR
• Толщина металла профиля стойки 5 мм.
• Усовершенствованная конструкция гидроцилиндра включающая в себя комплект из пяти уплотнительных манжет.
• Модернизированный узел соединения каретки с опорными лапами, равномерно распределяет вес на высокопрочные ползуны, что существенно повышает срок их службы.
• Горячее цинкование тросов синхронизации продлевает срок службы тросов на 50%.
• Современная система стопорного механизма исключает заклинивание стопоров каретки и гарантирует безопасный спуск автомобиля.
• Наличие дополнительно лючка позволяет без особых хлопот производить регулировку и настройку стопорного механизма.
• Передние лапы складываются назад по ходу движения автомобиля.
• Cъем со стопоров через ручку на стойке
• Минимальная высота подхвата 110 мм
Стандартная комплектация TS-4MR
Колонна подъемника – 2 шт.
Гидростанция – 1 шт.
Лапы – 4 шт.
Трос – 2 шт.
Шланг гидравлический – 2 шт.
Опоры винтовые с резиновыми вкладышами – 4 шт.
Проставки для рамных автомобилей – 4 шт.
Рукоять для перемещения лап подъемника – 4 шт.
Резиновые отбойники на каретках подъемника – 2 шт.
Переходники, гайки, болты – 1 компл.
Технические характеристики TS-4MR
Грузоподъемность, кг 4000Высота подъема, мм 1825
Высота подхвата min-max, мм 110-135
Время подъема, сек. 45-50
Мощность электромотора, кВт 2,2
Расстояние между колонами подъемника, мм. 2820
Ширина проезда, мм 2560
Габаритная ширина подъемника, мм 3380
Габаритная высота стойки, мм 2824
Длина (min-max) лапа изогнутая, мм 705-1045
Длина (min-max) лапа прямая, мм 906-1460
Съем со стопоров механический, Ручкой на управляющей колонне
Количество гидроцилиндров, 2
Вес подъемника, кг 625(635)
Габариты в упаковке (ДхШхВ), мм 3000х600х800
|
Страна производства
|
Китай |
|
Бренд
|
UNITE (Китай) |
|
Масса
|
625 |
|
Мощность, кВт
|
2,2 |
|
Синхронизация
|
нижняя |
|
Тип подъемника
|
стационарный |
|
Выс.подъем.для подъемников
|
1825 |
|
Мин.подх.для подъемников
|
110 |
|
Грузоподъемность подъемника
|
4000 |
|
Вид подъемника
|
легковой |
|
Тип привода подъемника
|
электрогидравлический |
|
Напряжение питания
|
220/380 |
|
Цвет
|
синий |
|
Разблокировка подъемника
|
ручка-съем |
Отзывы
Оставить отзыв
Загрузка отзывов...
Вы можете воспользоваться одним из следующих вариантов оплаты:
- Оплата наличными. Мы принимаем наличные деньги (только рубли) через кассовый фискальный аппарат.
- Безналичный расчет для юридических и частных лиц.
- Оплата банковской картой. Оплата происходит через ПАО СБЕРБАНК с использованием Банковских карт следующих платежных систем: VISA, VISA Electron, Maestro, MasterCard, МИР
Товар можно получить одним из следующих способов:
- Самовывоз товара с пункта выдачи по адресу в вашем городе.
- Курьерская доставка с 9-00 до 23-00 по рабочим дням. Покупатель обязуется разгрузить оборудование собственными силами и в кратчайшие сроки. Простой автомобиля оплачивается отдельно.
- Доставка одной из следующих транспортных компаний: "ПЭК" (Первая Экспедиционная Компания), "ЖДЭ" (ЖелДорЭкспедиция), "ЭНЕРГИЯ", "ДЕЛОВЫЕ ЛИНИИ", "СДЭК" и другие.

